·½Ðζ¯Á¦¼¤¹â¾íÈÆÒ»Ìå»ú
ЧÂÊ£º
6PPM£¨¼«Æ¬³¤16m)
ÏßËÙÂÊ:
Max.3000mm/s
´Ë×°±¸¼¯³É¼¤¹â¼«¶ú³ÉÐÍ¡¢×Ô¶¯¾íÈÆ£¬£¬£¬£¬£¬Ö÷Òª¹¦Ð§°üÀ¨ÎïÁÏ×Ô¶¯½»Á÷¾í¡¢¼«Æ¬¶à¼¶³ý³¾¡¢¼¤¹âÇи¶ú¡¢CCD覴üì²â¡¢Õý¼«Æ¬Í·Î²Ìù±£»£»£»£»£»£»¤½ºÖ½¡¢CCD Overhang¼ì²â¡¢Ô²ÐξíÕë¾íÈÆ¼°ÏÂÁÏ¡¢ÌùÖÕÖ¹½º´ø¡¢µçоÀäѹ¶¨ÐÍ¡¢Hip-pot²âÊÔ¡¢µçоCCDÐÎ×´¼ì²âµÈ¹¦Ð§£¬£¬£¬£¬£¬ÅäºÏÏȽøµÄËã·¨¿ØÖÆ£¬£¬£¬£¬£¬¿ÉʵÏÖ¼«¶ú¼ä¾à±Õ»·µ÷½â¡¢ÕÅÁ¦·Ö¶Î×Ô¶¯¿ØÖƼ°¾íÈÆ¶ÔÆë¶È±Õ»·¿ØÖƵÈÊÖÒÕ¡£¡£¡£¡£¡£¡£¡£¡£
×°±¸²ÎÊý
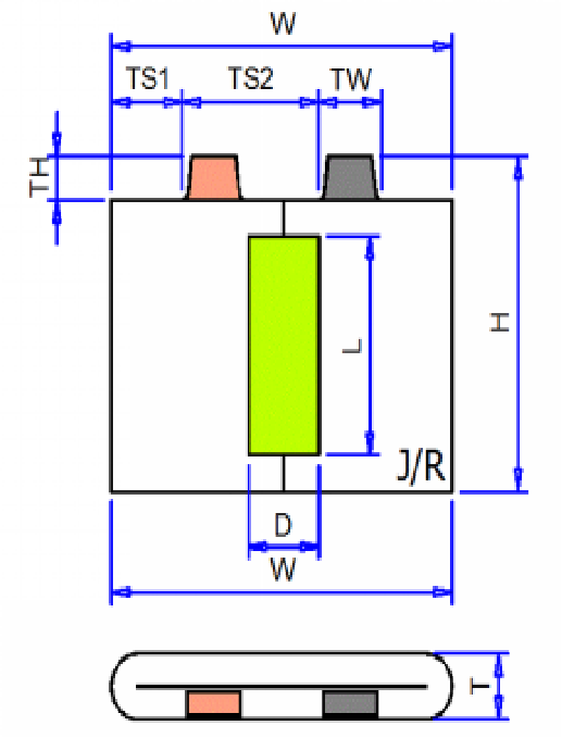
| ×°±¸ÐͺŠ|
YWPB300K |
µçоʾÒâͼ |
|---|---|---|
|
¼æÈݹæÄ£ |
H£º60-280mm£»£»£»£»£»£» W£º80-320mm T£º10-40mm£»£»£»£»£»£» TH¡Ü40mm |
|
| ¼«¶ú´íλ | ¡Ü¡À5mm | |
|
ÕÅÁ¦²¨¶¯ |
£¼¡À3% |
|
|
¼¤¹âÇиîë´Ì |
£¼10¦Ìm |
|
|
ЧÂÊ |
6ppm£¨¼«Æ¬³¤16m£© |
|
|
¼°¸ñÂÊ |
¡Ý99.5% |
Ïà¹Ø²úÆ·ÍÆ¼ö


